Netinfo Security ›› 2026, Vol. 26 ›› Issue (2): 224-235.doi: 10.3969/j.issn.1671-1122.2026.02.004

Previous Articles     Next Articles

Gauss Sieve Quantum Circuit Design Method Based on Grover’s Algorithm

CAO Renlong1, HU Honggang1,2()   

  1. 1. School of Cyber Science and Technology, University of Science and Technology of China, Hefei 230027, China
    2. Key Laboratory of Electromagnetic Space Information, Chinese Academy of Science, Hefei 230027, China
  • Received:2025-10-18 Online:2026-02-10 Published:2026-02-23

Abstract:

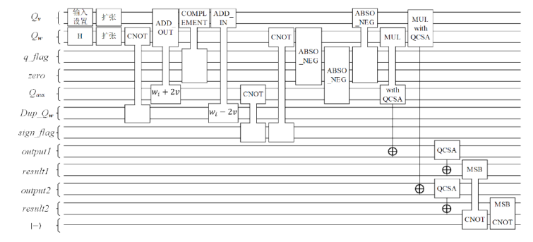
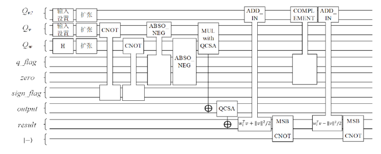
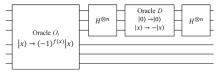
Sieve is the fastest approach to solve the shortest vector problem in the lattice. In practice, the heuristic sieve has become a new type of attack against lattice-based cryptography due to its low time complexity and excellent attack efficiency. With the rapid advancement of quantum computing, quantum algorithms enable the quantum sieve to achieve the optimal asymptotic time complexity theoretically, but the research on specific circuit design for quantum sieve is still in the primary stage. In this paper, a quantum circuit design scheme of Gauss sieve based on Grover’s quantum search algorithm was proposed, which discussed in depth the quantum circuit design of the two core search processes in Gauss sieve and their key operations, and the corresponding Oracle black box quantum circuits were successfully constructed. Through the analysis and verification of toy examples, the scheme not only can be correctly executed under the quantum computing model, but also effectively reduces the time complexity of the Gauss sieve. This result provides new ideas and methods for the research of quantum sieve realization in the post-quantum cryptography era.

Key words: Gauss sieve, Grover’s quantum search algorithm, quantum circuit, shortest vector problem

CLC Number: